Back to table of contents Problems

Problems

14.1 Mutual Inductance

28.

When the current in one coil changes at a rate of 5.6 A/s, an emf of 6.3×10−3V is induced in a second, nearby coil. What is the mutual inductance of the two coils?

29.

An emf of 9.7×10−3V is induced in a coil while the current in a nearby coil is decreasing at a rate of 2.7 A/s. What is the mutual inductance of the two coils?

30.

Two coils close to each other have a mutual inductance of 32 mH. If the current in one coil decays according to I=I0eαt, where I0=5.0A and α=2.0×103s−1, what is the emf induced in the second coil immediately after the current starts to decay? At t=1.0×10−3s?

31.

A coil of 40 turns is wrapped around a long solenoid of cross-sectional area 7.5×10−3m2. The solenoid is 0.50 m long and has 500 turns. (a) What is the mutual inductance of this system? (b) The outer coil is replaced by a coil of 40 turns whose radius is three times that of the solenoid. What is the mutual inductance of this configuration?

32.

A 600-turn solenoid is 0.55 m long and 4.2 cm in diameter. Inside the solenoid, a small (1.1cm×1.4cm), single-turn rectangular coil is fixed in place with its face perpendicular to the long axis of the solenoid. What is the mutual inductance of this system?

33.

A toroidal coil has a mean radius of 16 cm and a cross-sectional area of 0.25cm2; it is wound uniformly with 1000 turns. A second toroidal coil of 750 turns is wound uniformly over the first coil. Ignoring the variation of the magnetic field within a toroid, determine the mutual inductance of the two coils.

34.

A solenoid of N1 turns has length l1 and radius R1, and a second smaller solenoid of N2 turns has length l2 and radius R2. The smaller solenoid is placed completely inside the larger solenoid so that their long axes coincide. What is the mutual inductance of the two solenoids?

14.2 Self-Inductance and Inductors

35.

An emf of 0.40 V is induced across a coil when the current through it changes uniformly from 0.10 to 0.60 A in 0.30 s. What is the self-inductance of the coil?

36.

The current shown in part (a) below is increasing, whereas that shown in part (b) is decreasing. In each case, determine which end of the inductor is at the higher potential.

Figure a shows current flowing through a coil from left to right. Figure b shows current flowing through a coil from right to left.
37.

What is the rate at which the current though a 0.30-H coil is changing if an emf of 0.12 V is induced across the coil?

38.

When a camera uses a flash, a fully charged capacitor discharges through an inductor. In what time must the 0.100-A current through a 2.00-mH inductor be switched on or off to induce a 500-V emf?

39.

A coil with a self-inductance of 2.0 H carries a current that varies with time according to I(t)=(2.0A)sin120πt. Find an expression for the emf induced in the coil.

40.

A solenoid 50 cm long is wound with 500 turns of wire. The cross-sectional area of the coil is 2.0cm2 What is the self-inductance of the solenoid?

41.

A coil with a self-inductance of 3.0 H carries a current that decreases at a uniform rate dI/dt=−0.050A/s. What is the emf induced in the coil? Describe the polarity of the induced emf.

42.

The current I(t) through a 5.0-mH inductor varies with time, as shown below. The resistance of the inductor is 5.0Ω. Calculate the voltage across the inductor at t=2.0ms,t=4.0ms,andt=8.0ms.

The graph of current in amperes versus time in milliseconds. The current starts from 0 at 0 milliseconds, increases with time and reaches just over 6 amperes at roughly 3 milliseconds. It decreases sharply till about 6 milliseconds, then decreases at a slightly slower rate till it reaches 0 at 12 milliseconds.
43.

A long, cylindrical solenoid with 100 turns per centimeter has a radius of 1.5 cm. (a) Neglecting end effects, what is the self-inductance per unit length of the solenoid? (b) If the current through the solenoid changes at the rate 5.0 A/s, what is the emf induced per unit length?

44.

Suppose that a rectangular toroid has 2000 windings and a self-inductance of 0.040 H. If h=0.10m, what is the ratio of its outer radius to its inner radius?

Figure shows the cross section of a toroid. The inner radius of the ring is R1 and the outer radius is R2. The height of the rectangular cross section is h. A small section of thickness dr is located at the center of the rectangular cross section. This is at a distance r from the center of the ring. The area within the rectangular cross section with thickness dr and height h is highlighted and labeled da. Field lines and current i flowing through the toroid are shown.
45.

What is the self-inductance per meter of a coaxial cable whose inner radius is 0.50 mm and whose outer radius is 4.00 mm?

14.3 Energy in a Magnetic Field

46.

At the instant a current of 0.20 A is flowing through a coil of wire, the energy stored in its magnetic field is 6.0×10−3J. What is the self-inductance of the coil?

47.

Suppose that a rectangular toroid has 2000 windings and a self-inductance of 0.040 H. If h=0.10m, what is the current flowing through a rectangular toroid when the energy in its magnetic field is 2.0×10−6J?

48.

Solenoid A is tightly wound while solenoid B has windings that are evenly spaced with a gap equal to the diameter of the wire. The solenoids are otherwise identical. Determine the ratio of the energies stored per unit length of these solenoids when the same current flows through each.

49.

A 10-H inductor carries a current of 20 A. How much ice at 0°C could be melted by the energy stored in the magnetic field of the inductor? (Hint: Use the value Lf=334J/g for ice.)

50.

A coil with a self-inductance of 3.0 H and a resistance of 100Ω carries a steady current of 2.0 A. (a) What is the energy stored in the magnetic field of the coil? (b) What is the energy per second dissipated in the resistance of the coil?

51.

A current of 1.2 A is flowing in a coaxial cable whose outer radius is five times its inner radius. What is the magnetic field energy stored in a 3.0-m length of the cable?

14.4 RL Circuits

52.

In Figure 14.12, ε=12V, L=20mH, and R=5.0Ω. Determine (a) the time constant of the circuit, (b) the initial current through the resistor, (c) the final current through the resistor, (d) the current through the resistor when t=2τL, and (e) the voltages across the inductor and the resistor when t=2τL.

53.

For the circuit shown below, ε=20V, L=4.0mH, and R=5.0Ω. After steady state is reached with S1 closed and S2 open, S2 is closed and immediately thereafter (att=0) S1 is opened. Determine (a) the current through L at t=0, (b) the current through L at t=4.0×10−4s, and (c) the voltages across L and R2 at t=4.0×10−4s. R1=R2=R.

Figure shows a circuit with R and L connected in series with battery epsilon through closed switch S. L is connected in parallel with another resistor R through open switch S2.
54.

The current in the RL circuit shown here increases to 40% of its steady-state value in 2.0 s. What is the time constant of the circuit?

Figure a shows a resistor R and an inductor L connected in series with two switches which are parallel to each other. Both switches are currently open. Closing switch S1 would connect R and L in series with a battery, whose positive terminal is towards L. Closing switch S2 would form a closed loop of R and L, without the battery. Figure b shows a closed circuit with R, L and the battery in series. The side of L towards the battery, is at positive potential. Current flows from the positive end of L, through it, to the negative end. Figure c shows R and L connected in series. The potential across L is reversed, but the current flows in the same direction as in figure b.
55.

How long after switch S1 is thrown does it take the current in the circuit shown to reach half its maximum value? Express your answer in terms of the time constant of the circuit.

Figure shows a circuit with R and L in series with a battery, epsilon and a switch S1 which is open.
56.

Examine the circuit shown below in part (a). Determine dI/dt at the instant after the switch is thrown in the circuit of (a), thereby producing the circuit of (b). Show that if I were to continue to increase at this initial rate, it would reach its maximum ε/R in one time constant.

Figure a shows a circuit with R and L in series with a battery, epsilon and a switch S1 which is open. Figure b shows a circuit with R and L in series with a battery, epsilon. The end of L that is connected to the positive terminal of the battery is at positive potential. Current flows through L from the positive end to the negative one.
57.

The current in the RL circuit shown below reaches half its maximum value in 1.75 ms after the switch S1 is thrown. Determine (a) the time constant of the circuit and (b) the resistance of the circuit if L=250mH.

Figure shows a circuit with R and L in series with a battery, epsilon and a switch S1 which is open.
58.

Consider the circuit shown below. Find I1,I2,andI3 when (a) the switch S is first closed, (b) after the currents have reached steady-state values, and (c) at the instant the switch is reopened (after being closed for a long time).

Figure shows a circuit with R1 and L connected in series with a battery epsilon and a closed switch S. R2 is connected in parallel with L. The currents through R1, L and R2 are I1, I2 and I3 respectively.
59.

For the circuit shown below, ε=50V, R1=10Ω,, R2=R3=19.4 Ω,, and L=2.0mH. Find the values of I1andI2 (a) immediately after switch S is closed, (b) a long time after S is closed, (c) immediately after S is reopened, and (d) a long time after S is reopened.

Figure shows a circuit with R1 and R2 connected in series with a battery, epsilon and a closed switch S. R2 is connected in parallel with L and R3. The currents through R1 and R2 are I1 and I2 respectively.
60.

For the circuit shown below, find the current through the inductor 2.0×10−5s after the switch is reopened.

Figure shows a circuit with R1 and R2 connected in series with a battery, epsilon and a closed switch S. R2 is connected in parallel with L and R3. The currents through R1 and R2 are I1 and I2 respectively.
61.

Show that for the circuit shown below, the initial energy stored in the inductor, LI2(0)/2, is equal to the total energy eventually dissipated in the resistor, 0I2(t)Rdt.

Figure a shows a resistor R and an inductor L connected in series with two switches which are parallel to each other. Both switches are currently open. Closing switch S1 would connect R and L in series with a battery, whose positive terminal is towards L. Closing switch S2 would form a closed loop of R and L, without the battery. Figure b shows a closed circuit with R, L and the battery in series. The side of L towards the battery, is at positive potential. Current flows from the positive end of L, through it, to the negative end. Figure c shows R and L connected in series. The potential across L is reversed, but the current flows in the same direction as in figure b.

14.5 Oscillations in an LC Circuit

62.

A 5000-pF capacitor is charged to 100 V and then quickly connected to an 80-mH inductor. Determine (a) the maximum energy stored in the magnetic field of the inductor, (b) the peak value of the current, and (c) the frequency of oscillation of the circuit.

63.

The self-inductance and capacitance of an LC circuit are 0.20 mH and 5.0 pF. What is the angular frequency at which the circuit oscillates?

64.

What is the self-inductance of an LC circuit that oscillates at 60 Hz when the capacitance is 10μF?

65.

In an oscillating LC circuit, the maximum charge on the capacitor is 2.0×10−6C and the maximum current through the inductor is 8.0 mA. (a) What is the period of the oscillations? (b) How much time elapses between an instant when the capacitor is uncharged and the next instant when it is fully charged?

66.

The self-inductance and capacitance of an oscillating LC circuit are L=20mH andC=1.0μF, respectively. (a) What is the frequency of the oscillations? (b) If the maximum potential difference between the plates of the capacitor is 50 V, what is the maximum current in the circuit?

67.

In an oscillating LC circuit, the maximum charge on the capacitor is qm. Determine the charge on the capacitor and the current through the inductor when energy is shared equally between the electric and magnetic fields. Express your answer in terms of qm, L, and C.

68.

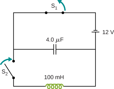
In the circuit shown below, S1 is opened and S2 is closed simultaneously. Determine (a) the frequency of the resulting oscillations, (b) the maximum charge on the capacitor, (c) the maximum current through the inductor, and (d) the electromagnetic energy of the oscillating circuit.

A 12 volt battery is connected to a 4 microfarad capacitor and a 100 millihenry inductor which are both connected in parallel with each other. There are two switches in the circuit. Switch S1 is closed. If opened, it would open the whole circuit. Switch S2 is open and hence the inductor is currently disconnected.
69.

An LC circuit in an AM tuner (in a car stereo) uses a coil with an inductance of 2.5 mH and a variable capacitor. If the natural frequency of the circuit is to be adjustable over the range 540 to 1600 kHz (the AM broadcast band), what range of capacitance is required?

14.6 RLC Series Circuits

70.

In an oscillating RLC circuit, R=5.0Ω,L=5.0mH,andC=500μF. What is the angular frequency of the oscillations?

71.

In an oscillating RLC circuit with L=10mH,C=1.5µF,andR=2.0Ω, how much time elapses before the amplitude of the oscillations drops to half its initial value?

72.

What resistance R must be connected in series with a 200-mH inductor and a 10μF capacitor of the resulting RLC oscillating circuit is to decay to 50% of its initial value of charge in 50 cycles? To 0.10% of its initial value in 50 cycles?

Back to table of contents