Back to table of contents 8.2 Capacitors in Series and in Parallel

8.2 Capacitors in Series and in Parallel

Learning Objectives

By the end of this section, you will be able to:

Several capacitors can be connected together to be used in a variety of applications. Multiple connections of capacitors behave as a single equivalent capacitor. The total capacitance of this equivalent single capacitor depends both on the individual capacitors and how they are connected. Capacitors can be arranged in two simple and common types of connections, known as series and parallel, for which we can easily calculate the total capacitance. These two basic combinations, series and parallel, can also be used as part of more complex connections.

The Series Combination of Capacitors

Figure 8.11 illustrates a series combination of three capacitors, arranged in a row within the circuit. As for any capacitor, the capacitance of the combination is related to the charge and voltage by using Equation 8.1. When this series combination is connected to a battery with voltage V, each of the capacitors acquires an identical charge Q. To explain, first note that the charge on the plate connected to the positive terminal of the battery is +Q and the charge on the plate connected to the negative terminal is Q. Charges are then induced on the other plates so that the sum of the charges on all plates, and the sum of charges on any pair of capacitor plates, is zero. However, the potential drop V1=Q/C1 on one capacitor may be different from the potential drop V2=Q/C2 on another capacitor, because, generally, the capacitors may have different capacitances. The series combination of two or three capacitors resembles a single capacitor with a smaller capacitance. Generally, any number of capacitors connected in series is equivalent to one capacitor whose capacitance (called the equivalent capacitance) is smaller than the smallest of the capacitances in the series combination. Charge on this equivalent capacitor is the same as the charge on any capacitor in a series combination: That is, all capacitors of a series combination have the same charge. This occurs due to the conservation of charge in the circuit. When a charge Q in a series circuit is removed from a plate of the first capacitor (which we denote as Q), it must be placed on a plate of the second capacitor (which we denote as +Q), and so on.

Figure a shows capacitors C1, C2 and C3 in series, connected to a battery. Figure b shows capacitor Cs connected to the battery.
Figure 8.11 (a) Three capacitors are connected in series. The magnitude of the charge on each plate is Q. (b) The network of capacitors in (a) is equivalent to one capacitor that has a smaller capacitance than any of the individual capacitances in (a), and the charge on its plates is Q.

We can find an expression for the total (equivalent) capacitance by considering the voltages across the individual capacitors. The potentials across capacitors 1, 2, and 3 are, respectively, V1=Q/C1, V2=Q/C2, and V3=Q/C3. These potentials must sum up to the voltage of the battery, giving the following potential balance:

V=V1+V2+V3.

Potential V is measured across an equivalent capacitor that holds charge Q and has an equivalent capacitance CS. Entering the expressions for V1, V2, and V3, we get

QCS=QC1+QC2+QC3.

Canceling the charge Q, we obtain an expression containing the equivalent capacitance, CS, of three capacitors connected in series:

1CS=1C1+1C2+1C3.

This expression can be generalized to any number of capacitors in a series network.

Series Combination

For capacitors connected in a series combination, the reciprocal of the equivalent capacitance is the sum of reciprocals of individual capacitances:

1CS=1C1+1C2+1C3+.
8.7

Example 8.4

Equivalent Capacitance of a Series Network

Find the total capacitance for three capacitors connected in series, given their individual capacitances are 1.000μF, 5.000μF, and 8.000μF.

Strategy

Because there are only three capacitors in this network, we can find the equivalent capacitance by using Equation 8.7 with three terms.

Solution

We enter the given capacitances into Equation 8.7:
1CS=1C1+1C2+1C3=11.000μF+15.000μF+18.000μF1CS=1.325μF.

Now we invert this result and obtain CS=μF1.325=0.755μF.

Significance

Note that in a series network of capacitors, the equivalent capacitance is always less than the smallest individual capacitance in the network.

The Parallel Combination of Capacitors

A parallel combination of three capacitors, with one plate of each capacitor connected to one side of the circuit and the other plate connected to the other side, is illustrated in Figure 8.12(a). Since the capacitors are connected in parallel, they all have the same voltage V across their plates. However, each capacitor in the parallel network may store a different charge. To find the equivalent capacitance CP of the parallel network, we note that the total charge Q stored by the network is the sum of all the individual charges:

Q=Q1+Q2+Q3.

On the left-hand side of this equation, we use the relation Q=CPV, which holds for the entire network. On the right-hand side of the equation, we use the relations Q1=C1V,Q2=C2V, and Q3=C3V for the three capacitors in the network. In this way we obtain

CPV=C1V+C2V+C3V.

This equation, when simplified, is the expression for the equivalent capacitance of the parallel network of three capacitors:

CP=C1+C2+C3.

This expression is easily generalized to any number of capacitors connected in parallel in the network.

Parallel Combination

For capacitors connected in a parallel combination, the equivalent (net) capacitance is the sum of all individual capacitances in the network,

CP=C1+C2+C3+.
8.8
Figure a shows capacitors C1, C2 and C3 in parallel, with each one connected to a battery. The positive plates of C1, C2 and C3 have charge +Q1, +Q2 and +Q3 respectively and the negative plates have charge –Q1, –Q2 and –Q3 respectively. Figure b shows equivalent capacitor Cp equal to C1 plus C2 plus C3. The charge on the positive plate is equal to +Q equal to Q1 plus Q2 plus Q3. The charge on the negative plate is equal to –Q equal to minus Q1 minus Q2 minus Q3.
Figure 8.12 (a) Three capacitors are connected in parallel. Each capacitor is connected directly to the battery. (b) The charge on the equivalent capacitor is the sum of the charges on the individual capacitors.

Example 8.5

Equivalent Capacitance of a Parallel Network

Find the net capacitance for three capacitors connected in parallel, given their individual capacitances are 1.0μF,5.0μF,and8.0μF.

Strategy

Because there are only three capacitors in this network, we can find the equivalent capacitance by using Equation 8.8 with three terms.

Solution

Entering the given capacitances into Equation 8.8 yields
CP=C1+C2+C3=1.0μF+5.0μF+8.0μFCP=14.0μF.

Significance

Note that in a parallel network of capacitors, the equivalent capacitance is always larger than any of the individual capacitances in the network.

Capacitor networks are usually some combination of series and parallel connections, as shown in Figure 8.13. To find the net capacitance of such combinations, we identify parts that contain only series or only parallel connections, and find their equivalent capacitances. We repeat this process until we can determine the equivalent capacitance of the entire network. The following example illustrates this process.

Figure a shows capacitors C1 and C2 in series and C3 in parallel with them. The value of C1 is 1 micro Farad, that of C2 is 5 micro Farad and that of C3 is 8 micro Farad. Figure b is the same as figure a, with C1 and C2 being replaced with equivalent capacitor Cs. Figure c is the same as figure b with Cs and C3 being replaced with equivalent capacitor C tot. C tot is equal to Cs plus C3.
Figure 8.13 (a) This circuit contains both series and parallel connections of capacitors. (b) C1 and C2 are in series; their equivalent capacitance is CS. (c) The equivalent capacitance CS is connected in parallel with C3. Thus, the equivalent capacitance of the entire network is the sum of CS and C3.

Example 8.6

Equivalent Capacitance of a Network

Find the total capacitance of the combination of capacitors shown in Figure 8.13. Assume the capacitances are known to three decimal places (C1=1.000μF,C2=5.000μF,C3=8.000μF). Round your answer to three decimal places.

Strategy

We first identify which capacitors are in series and which are in parallel. Capacitors C1 and C2 are in series. Their combination, labeled CS, is in parallel with C3.

Solution

Since C1andC2 are in series, their equivalent capacitance CS is obtained with Equation 8.7:
1CS=1C1+1C2=11.000μF+15.000μF=1.200μFCS=0.833μF.

Capacitance CS is connected in parallel with the third capacitance C3, so we use Equation 8.8 to find the equivalent capacitance C of the entire network:

C=CS+C3=0.833μF+8.000μF=8.833μF.

Example 8.7

Network of Capacitors

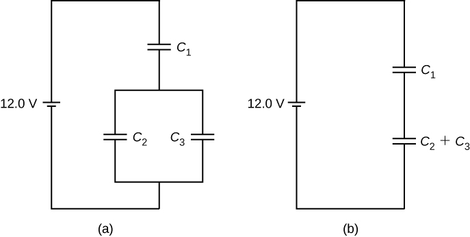
Determine the net capacitance C of the capacitor combination shown in Figure 8.14 when the capacitances are C1=12.0μF,C2=2.0μF, and C3=4.0μF. When a 12.0-V potential difference is maintained across the combination, find the charge and the voltage across each capacitor.
Figure a shows capacitors C1 and C2 in series and C3 in parallel with them. The value of C1 is 1 micro Farad, that of C2 is 5 micro Farad and that of C3 is 8 micro Farad. Figure b is the same as figure a, with C1 and C2 being replaced with equivalent capacitor Cs. Figure c is the same as figure b with Cs and C3 being replaced with equivalent capacitor C tot. C tot is equal to Cs plus C3.
Figure 8.14 (a) A capacitor combination. (b) An equivalent two-capacitor combination.

Strategy

We first compute the net capacitance C23 of the parallel connection C2 and C3. Then C is the net capacitance of the series connection C1 and C23. We use the relation C=Q/V to find the charges Q1,Q2, and Q3, and the voltages V1, V2, and V3, across capacitors 1, 2, and 3, respectively.

Solution

The equivalent capacitance for C2 and C3 is
C23=C2+C3=2.0μF+4.0μF=6.0μF.

The entire three-capacitor combination is equivalent to two capacitors in series,

1C=112.0μF+16.0μF=14.0μFC=4.0μF.

Consider the equivalent two-capacitor combination in Figure 8.14(b). Since the capacitors are in series, they have the same charge, Q1=Q23. Also, the capacitors share the 12.0-V potential difference, so

12.0V=V1+V23=Q1C1+Q23C23=Q112.0μF+Q16.0μFQ1=48.0μC.

Now the potential difference across capacitor 1 is

V1=Q1C1=48.0μC12.0μF=4.0V.

Because capacitors 2 and 3 are connected in parallel, they are at the same potential difference:

V2=V3=12.0V4.0V=8.0V.

Hence, the charges on these two capacitors are, respectively,

Q2=C2V2=(2.0μF)(8.0V)=16.0μC,Q3=C3V3=(4.0μF)(8.0V)=32.0μC.

Significance

As expected, the net charge on the parallel combination of C2 and C3 is Q23=Q2+Q3=48.0μC.

Check Your Understanding 8.5

Determine the net capacitance C of each network of capacitors shown below. Assume that C1=1.0pF, C2=2.0pF, C3=4.0pF, and C4=5.0pF. Find the charge on each capacitor, assuming there is a potential difference of 12.0 V across each network.

Figure a shows capacitors C2 and C3 in parallel with each other. They are in series with C1. Figure b shows capacitors C2 and C3 in series with each other. They are in parallel with C1. Figure c shows capacitors C1 and C2 in parallel with each other and capacitors C3 and C4 in parallel with each other. These combinations are connected in series.
Back to table of contents